*This original post gets updated when one or more of the original issues is resolved. Resolutions are listed in green
Sup guys,
I have posted on here a couple of times, but was still waiting to get my Rover out of surgery (73 88 2 1/4). I got her back a couple of weeks ago and immediately took the wheels to sand blast/powder coat. While that was in process, I started working on some of the minor surgery related items I felt I could tackle. Below is a list of what the shop did and what I did, as well as what is still not working, not right, or even unknown. My local shop had the main priority of getting the engine running and bare minimal items for it to roll/drive. Part of this thread is I want to share my project with you all. The second half is that I am always looking for input or the knowledge I am lacking in certain areas. I will make multiple replies to this thread for different parts of the project. Key here is that this Rover sat in a garage for 20 years untouched (which was both good and bad). My grandfather bought this Landy around 1980 as a lakeside/farm use type vehicle. So no care was taken on road specific needs such as mirrors, speedo, seat belts, signal lights...you name it. So there was a lot of basic stuff required just to get off the ground. My goal is to return the Landy to a daily driver status to honor him and my cousin (both of which are passed). My cousin and I had great times driving this around when we were teenagers. Every time I get behind the wheel, the feel and the smell turns it into a time capsule.
Performed by my local trustworthy shop:
-Purged gas tank
-New spark plugs
-New carb
-New clutch master cylinder one (original one missing)
-Replace brake servo assembly
-Replace Brake master cylinder
-Replace radiator hoses
-Replace heater control valve
-Replace thermostat
-Replace fuel lines
-Replace starter motor
-Replace heater hoses
-Replace brake shoes / springs
-Refurb all four corners (hub seals, axle shaft seals, etc)
-Replace exhaust piping / muffler
-All fluids
-Replace battery
Performed by me (after surgery exit):
-Replace all four shocks (standard shocks)
-Replace all four brake drums
-Replace both rear check straps (one was already broken)
-Rewired a new horn switch (not sure where that has gone bad...assumption is the wand)
-Installed 3 point reel seat belt kits in front (some fabrication required)
-Installed missing bolts for rear seat belts
-Replaced indicator bulbs that were out
-Replaced turn indicator flasher unit (switching the wand would have the lights come on, but stay on solid)
-Send 5 wheels, lug nuts, and other odds and ends to powder coat (wheels to color RAL1015, lugs and other bits to gloss black)
-Purchased 5 Firestone Destination M/T 235/75/15 (my Rover has 15" stock rims which seems to be the minority)
-Drilled out a sheared off bolt in the hood (that is for the spare tire mount). Was unable to extract it.
-Buffed out existing paint with compound (body is pretty rough, but looks way better than when I got it)
Not working / next up
-Tail lights...I somehow killed these while fixing the flasher relay in the dash...yaaahhh (fixed - broken wires out of RR frame)
-Speedometer (obvious reason...no cable!) (found cable, but cable is broken. Need a new one!) Open issue
-Find root cause of horn issue Open issue
-Speedometer backlight is out (found ground wire disconnected from its ground connection...also fixed no interior light)
-Interior light is out (see above)
-Fabricate rear door interior panel (original one is pretty bad off)
-Upgrade headlights to low amperage LED's Open upgrade
-Hazard relay...currently I do not have hazards (hazards now working after new alternator and wiring)
-Fabricate spare tire mount for bonnet (I assume my tire will not work with original kit (even if it did, the sheared off bolt in the port means I have to fabricate something) (completed...see in my subsequent posts)
-Fully clean out cab and install some basic rubber floor mats to avoid further damage (I have a dog) Open upgrade
-Rear door lock not working (both front doors working fine) Open issue
-Window locks for rear windows (front work fine) Open issue
-Multiple leaks (rear diff; back of tranny; sump) Open issue
-Massive rust/material clogging up fuel filters (fuel tank was a rust bucket. Replaced with a new one along with a new sender and mounting hardware)
-Charge light is lit all the time (alternator needed to be replaced and wiring was also replaced)
Not working quite right...I assume...
-Tranny pops out of 2nd gear; extremely difficult to downshift without grinding into any gear Open issue
-Right front wheel has some friction (not fully free wheel). Not sure if 4x4 or hub related...I believe hub) Bearings were shot...LF was seized. RF was coming apart.
-Doors close, but are not closed...well they are not flush to the body
-Heater works, but when it is 20 degrees like it was today, I could not tell it was on. I am not expecting miracles, but I think it is not up to par as it was back in the day
-Backfiring (with sudden loss of power, but returns to normal very fast). This is more noticeable when engine is cold. Open issue
-Sponge brake pedal after the Rovers sits for a while. Must pump several times to get brake. Springs were incorrectly installed. This was fixed.
-Front brakes have way too much drag on the drums (need to manually compress trailing shoe just to get drum on). Replaced flex hoses and bled MC. This was fixed, but is still be evaluated for long term.
Questions
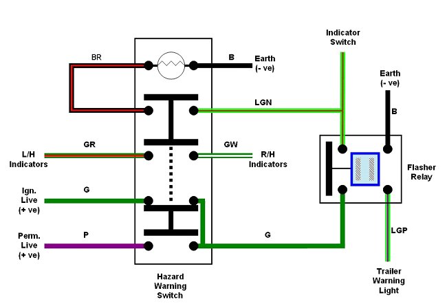
-Why is the hazard relay / circuity not in the schematics? or am I reading it wrong?
-How slow are your signal indicators...mine are mega slooooow (slow signals solved with new alternator and wiring)
-Do you have to pump your brake pedal after the Rover has sat for a while to build pressure (found that the upper brake shoe spring was connected to both shoes. It should only be connected to the rear shoe and the front connects to the backing plate).
-Is everyone double clutching? (not required for series 3)
Additions
-Side mirrors installed
-Install tachometer (install in progress)
-Fire extinguisher installed
-Tool box with as many spare tools as possible (including Rover specific tools)
-Low fuel light (install in progress)
-Supplement fuse box (install in progress)
-Under hood LED lighting (install in progress)
The two pics below show the day I got it and then how it looks right now. I need to take some photos of all the installs I have done...I will add more in the coming days. Looking forward to any and all feedback!
Sup guys,
I have posted on here a couple of times, but was still waiting to get my Rover out of surgery (73 88 2 1/4). I got her back a couple of weeks ago and immediately took the wheels to sand blast/powder coat. While that was in process, I started working on some of the minor surgery related items I felt I could tackle. Below is a list of what the shop did and what I did, as well as what is still not working, not right, or even unknown. My local shop had the main priority of getting the engine running and bare minimal items for it to roll/drive. Part of this thread is I want to share my project with you all. The second half is that I am always looking for input or the knowledge I am lacking in certain areas. I will make multiple replies to this thread for different parts of the project. Key here is that this Rover sat in a garage for 20 years untouched (which was both good and bad). My grandfather bought this Landy around 1980 as a lakeside/farm use type vehicle. So no care was taken on road specific needs such as mirrors, speedo, seat belts, signal lights...you name it. So there was a lot of basic stuff required just to get off the ground. My goal is to return the Landy to a daily driver status to honor him and my cousin (both of which are passed). My cousin and I had great times driving this around when we were teenagers. Every time I get behind the wheel, the feel and the smell turns it into a time capsule.
Performed by my local trustworthy shop:
-Purged gas tank
-New spark plugs
-New carb
-New clutch master cylinder one (original one missing)
-Replace brake servo assembly
-Replace Brake master cylinder
-Replace radiator hoses
-Replace heater control valve
-Replace thermostat
-Replace fuel lines
-Replace starter motor
-Replace heater hoses
-Replace brake shoes / springs
-Refurb all four corners (hub seals, axle shaft seals, etc)
-Replace exhaust piping / muffler
-All fluids
-Replace battery
Performed by me (after surgery exit):
-Replace all four shocks (standard shocks)
-Replace all four brake drums
-Replace both rear check straps (one was already broken)
-Rewired a new horn switch (not sure where that has gone bad...assumption is the wand)
-Installed 3 point reel seat belt kits in front (some fabrication required)
-Installed missing bolts for rear seat belts
-Replaced indicator bulbs that were out
-Replaced turn indicator flasher unit (switching the wand would have the lights come on, but stay on solid)
-Send 5 wheels, lug nuts, and other odds and ends to powder coat (wheels to color RAL1015, lugs and other bits to gloss black)
-Purchased 5 Firestone Destination M/T 235/75/15 (my Rover has 15" stock rims which seems to be the minority)
-Drilled out a sheared off bolt in the hood (that is for the spare tire mount). Was unable to extract it.
-Buffed out existing paint with compound (body is pretty rough, but looks way better than when I got it)
Not working / next up
-Tail lights...I somehow killed these while fixing the flasher relay in the dash...yaaahhh (fixed - broken wires out of RR frame)
-Speedometer (obvious reason...no cable!) (found cable, but cable is broken. Need a new one!) Open issue
-Find root cause of horn issue Open issue
-Speedometer backlight is out (found ground wire disconnected from its ground connection...also fixed no interior light)
-Interior light is out (see above)
-Fabricate rear door interior panel (original one is pretty bad off)
-Upgrade headlights to low amperage LED's Open upgrade
-Hazard relay...currently I do not have hazards (hazards now working after new alternator and wiring)
-Fabricate spare tire mount for bonnet (I assume my tire will not work with original kit (even if it did, the sheared off bolt in the port means I have to fabricate something) (completed...see in my subsequent posts)
-Fully clean out cab and install some basic rubber floor mats to avoid further damage (I have a dog) Open upgrade
-Rear door lock not working (both front doors working fine) Open issue
-Window locks for rear windows (front work fine) Open issue
-Multiple leaks (rear diff; back of tranny; sump) Open issue
-Massive rust/material clogging up fuel filters (fuel tank was a rust bucket. Replaced with a new one along with a new sender and mounting hardware)
-Charge light is lit all the time (alternator needed to be replaced and wiring was also replaced)
Not working quite right...I assume...
-Tranny pops out of 2nd gear; extremely difficult to downshift without grinding into any gear Open issue
-Right front wheel has some friction (not fully free wheel). Not sure if 4x4 or hub related...I believe hub) Bearings were shot...LF was seized. RF was coming apart.
-Doors close, but are not closed...well they are not flush to the body
-Heater works, but when it is 20 degrees like it was today, I could not tell it was on. I am not expecting miracles, but I think it is not up to par as it was back in the day
-Backfiring (with sudden loss of power, but returns to normal very fast). This is more noticeable when engine is cold. Open issue
-Sponge brake pedal after the Rovers sits for a while. Must pump several times to get brake. Springs were incorrectly installed. This was fixed.
-Front brakes have way too much drag on the drums (need to manually compress trailing shoe just to get drum on). Replaced flex hoses and bled MC. This was fixed, but is still be evaluated for long term.
Questions
-Why is the hazard relay / circuity not in the schematics? or am I reading it wrong?
-How slow are your signal indicators...mine are mega slooooow (slow signals solved with new alternator and wiring)
-Do you have to pump your brake pedal after the Rover has sat for a while to build pressure (found that the upper brake shoe spring was connected to both shoes. It should only be connected to the rear shoe and the front connects to the backing plate).
-Is everyone double clutching? (not required for series 3)
Additions
-Side mirrors installed
-Install tachometer (install in progress)
-Fire extinguisher installed
-Tool box with as many spare tools as possible (including Rover specific tools)
-Low fuel light (install in progress)
-Supplement fuse box (install in progress)
-Under hood LED lighting (install in progress)
The two pics below show the day I got it and then how it looks right now. I need to take some photos of all the installs I have done...I will add more in the coming days. Looking forward to any and all feedback!

Comment